Москва
Время работы
Пн-Пт: 9.00-19.00
Сб-Вс: 10.00-18.00

онлайн заказы круглосуточно
+7 495 123 34 44 8 800 707 34 44
info@whitegoods.ru
8 800 707-34-44
Войти
Избранное
0
Корзина
0
2159502 34339 RUB 257

Пищеварочные котлы 160 литров

 27
Аксессуары19
Фильтр
Показывать товар
Цена
от
до
Производители
Бренд, торговая марка или название предприятия-производителя, под знаком которого изготовлен товар.
лупа
Показать еще
Объем, л
от
до
t режим, °С
от
до
Мощность, Вт
Потребляемая мощность - это ключевой параметр, который определяет, сколько электроэнергии использует оборудование.
от
до
Ширина, см
от
до
Глубина, см
от
до
Высота, см
от
до
Страна-производитель
Страна изготовитель изделия
Способ нагрева
Косвенный нагрев - между емкостью и ТЭНами имеется пароводяная рубашка. Прямой нагрев осуществляется прямым способом - ТЭНами или газовыми горелками.
Подключение
Разнообразные виды питания прибора дают возможность подобрать оптимальный вариант под требуемые условия эксплуатации.
Опрокидывание
В моделях с ручным приводом блюда сливают вручную. Электропривод позволяет автоматизировать слив готового продукта. В стационарных варочная ёмкость неподвижна. Продукт выгружают вручную или через кран большого диаметра.
Миксер
Предназначен для перемешивания и взбивания до однородной консистенции продуктов. Это особенно удобно для приготовления различных топпингов.
Управление
Механическое - простой вариант с использованием поворотных ручек. В электромеханическом используются поворотные переключатели (основные настройки) и кнопки (автоматические программы). В электронном может быть кнопочное или сенсорное управление. Сенсорами или кнопками осуществляется программирование с множеством настроек.
Кол-во режимов работы
Сливной кран
Предназначен для слива готового продукта или отработанной воды, масла. Открытие, закрытие и регулировка осуществляются вручную посредством поворота вентиля.
Таймер
Позволяет установить точное время для выбранного режима.
Манометр
Определяет давление, образующееся в так называемой водяной рубашке - пространстве между двумя стенками, заполненном горячей водой.
Материал корпуса
Материал, из которого сделан внешний корпус оборудования.
Напряжение, В
220В - стандартное подключение
380В - трехфазное подключение (оборудование может поставляться без эл. вилки)
220В/380В - универсальное подключение
Подобрать
Сбросить фильтр
Подобрано 0
Подобрать
или
Добавить в избранное
Добавить в сравнение
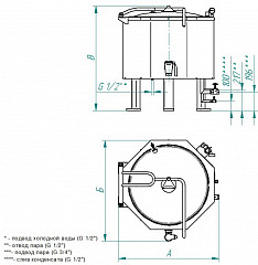
Котел пищеварочный Kayman Гастротанк КПЭ-160-М в Москве , фото
Котел пищеварочный Kayman Гастротанк КПЭ-160-М
Страна-производитель: Россия, Объем, л: 160, Опрокидывание: нет, t режим, °С: +20...+95, Сливной кран: да, Материал корпуса: нержавеющая сталь, Мощность, Вт: 15000, Габариты: (Ш×Г×В): 84×90×86
Категория: 160 литров
Срок гарантии, мес
12
Страна марки
Россия
Страна-производитель
Россия
Производитель
Объем, л
160
Установка
Напольная
Способ нагрева
Косвенный
Подключение
Электричество
Опрокидывание
нет
Диаметр котла, мм
652
Управление
Механическое
Миксер
Нет
Время разогрева до рабочей t
60
t режим, °С
+20...+95
Сливной кран
да
Время разогрева, мин
60
Количество варочных сосудов
1
Таймер
Нет
Количество ТЭНов
6
Манометр
Да
Материал варочного сосуда
Нержавеющая сталь
Материал лицевой панели
Нержавеющая сталь
Материал корпуса
нержавеющая сталь
Мощность, Вт
15000
Напряжение, В
380
Ширина, см
84
Глубина, см
90
Высота, см
86
Вес без упаковки, кг
127
Ширина в упаковке, см
106
Глубина в упаковке, см
115
Высота в упаковке, см
123
Вес в упаковке, кг
181
Весь список
135 889-2%
138 692
В наличии: 13 шт.
Товар в наличии.
Доставим в кратчайшие сроки!
В кредит от 4 775 ₽/мес
Добавить в избранное
Добавить в сравнение
Котел пищеварочный Марихолодмаш КПЭТ 160/9 в Москве , фото
Котел пищеварочный Марихолодмаш КПЭТ 160/9
Страна-производитель: Россия, Объем, л: 160, Опрокидывание: нет, t режим, °С: 0...+95, Сливной кран: да, Материал корпуса: нержавеющая сталь, Мощность, Вт: 18000, Габариты: (Ш×Г×В): 90×84×86
Категория: 160 литров
Срок гарантии, мес
Страна марки
Россия
Страна-производитель
Россия
Производитель
Объем, л
160
Установка
Напольная
Способ нагрева
Косвенный
Подключение
Электричество
Опрокидывание
нет
Диаметр сливного крана, мм
12.7
Управление
Механическое
Миксер
Нет
Кол-во режимов работы
3
Время разогрева до рабочей t
60
t режим, °С
0...+95
Сливной кран
да
Время разогрева, мин
60
Количество варочных сосудов
1
Таймер
Нет
Количество ТЭНов
6
Манометр
Да
Материал варочного сосуда
Нержавеющая сталь
Материал лицевой панели
Нержавеющая сталь
Материал корпуса
нержавеющая сталь
Мощность, Вт
18000
Напряжение, В
220/380
Ширина, см
90
Глубина, см
84
Высота, см
86
Вес без упаковки, кг
127
Ширина в упаковке, см
113
Глубина в упаковке, см
105
Высота в упаковке, см
120
Вес в упаковке, кг
179
Весь список
150 150-6%
159 159
В наличии: 5 шт.
Товар в наличии.
Доставим в кратчайшие сроки!
В кредит от 5 276 ₽/мес
Добавить в избранное
Добавить в сравнение
Котел пищеварочный Abat КПЭМ-160/9Т в Москве , фото 1
Котел пищеварочный Abat КПЭМ-160/9Т в Москве , фото 2
Котел пищеварочный Abat КПЭМ-160/9Т в Москве , фото 3
Котел пищеварочный Abat КПЭМ-160/9Т в Москве , фото 4
Котел пищеварочный Abat КПЭМ-160/9Т
Страна-производитель: Россия, Объем, л: 160, Опрокидывание: нет, t режим, °С: 0...+100, Сливной кран: да, Материал корпуса: нержавеющая сталь, Мощность, Вт: 18100, Габариты: (Ш×Г×В): 84.1×101.5×103
Категория: 160 литров
Срок гарантии, мес
12
Страна марки
Россия
Страна-производитель
Россия
Производитель
Объем, л
160
Установка
Напольная
Способ нагрева
Косвенный
Подключение
Электричество
Опрокидывание
нет
Диаметр котла, мм
652
Управление
Механическое
Миксер
Нет
Кол-во режимов работы
3
Время разогрева до рабочей t
60
t режим, °С
0...+100
Сливной кран
да
Время разогрева, мин
60
Количество варочных сосудов
1
Таймер
Нет
Манометр
Да
Материал варочного сосуда
Нержавеющая сталь
Материал лицевой панели
Нержавеющая сталь
Материал корпуса
нержавеющая сталь
Мощность, Вт
18100
Напряжение, В
380
Ширина, см
84.1
Глубина, см
101.5
Высота, см
103
Вес без упаковки, кг
127
Ширина в упаковке, см
112
Глубина в упаковке, см
94
Высота в упаковке, см
124
Вес в упаковке, кг
178
Весь список
247 599
В наличии: 1 шт.
Товар в наличии.
Доставим в кратчайшие сроки!
В кредит от 8 701 ₽/мес
Добавить в избранное
Добавить в сравнение
Котел пищеварочный Abat КПЭМ-160-ОР в Москве , фото 1
Котел пищеварочный Abat КПЭМ-160-ОР в Москве , фото 2
Котел пищеварочный Abat КПЭМ-160-ОР
Страна-производитель: Россия, Объем, л: 160, Опрокидывание: ручное, t режим, °С: 0...+100, Сливной кран: нет, Материал корпуса: нержавеющая сталь, Мощность, Вт: 18100, Габариты: (Ш×Г×В): 120.6×86.1×122.3
Категория: 160 литров
Срок гарантии, мес
12
Страна марки
Россия
Страна-производитель
Россия
Производитель
Объем, л
160
Установка
Напольная
Способ нагрева
Косвенный
Подключение
Электричество
Опрокидывание
ручное
Диаметр котла, мм
652
Управление
Механическое
Миксер
Нет
Кол-во режимов работы
3
Время разогрева до рабочей t
60
t режим, °С
0...+100
Сливной кран
нет
Время разогрева, мин
60
Количество варочных сосудов
1
Таймер
Нет
Манометр
Да
Материал варочного сосуда
Нержавеющая сталь
Материал лицевой панели
Нержавеющая сталь
Материал корпуса
нержавеющая сталь
Мощность, Вт
18100
Напряжение, В
380
Ширина, см
120.6
Глубина, см
86.1
Высота, см
122.3
Вес без упаковки, кг
128.6
Ширина в упаковке, см
136
Глубина в упаковке, см
98.4
Высота в упаковке, см
144
Вес в упаковке, кг
197
Весь список
253 078
В наличии: 1 шт.
Товар в наличии.
Доставим в кратчайшие сроки!
В кредит от 8 893 ₽/мес
Добавить в избранное
Добавить в сравнение
Котел пищеварочный Проммаш КП-160П в Москве , фото 1
Котел пищеварочный Проммаш КП-160П в Москве , фото 2
Котел пищеварочный Проммаш КП-160П в Москве , фото 3
Котел пищеварочный Проммаш КП-160П в Москве , фото 4
Котел пищеварочный Проммаш КП-160П
Страна-производитель: Россия, Объем, л: 160, Опрокидывание: нет, Сливной кран: да, Материал корпуса: нержавеющая сталь, Габариты: (Ш×Г×В): 120×80×85
Категория: 160 литров
Срок гарантии, мес
12
Страна марки
Россия
Страна-производитель
Россия
Производитель
Объем, л
160
Установка
Напольная
Способ нагрева
Косвенный
Подключение
Пар
Опрокидывание
нет
Управление
Механическое
Миксер
Нет
Время разогрева до рабочей t
40
Сливной кран
да
Время разогрева, мин
40
Количество варочных сосудов
1
Таймер
Нет
Манометр
Да
Материал варочного сосуда
Нержавеющая сталь
Материал лицевой панели
Нержавеющая сталь
Материал корпуса
нержавеющая сталь
Ширина, см
120
Глубина, см
80
Высота, см
85
Вес без упаковки, кг
140
Весь список
201 006
Под заказ
Товара нет в наличии на складе, но мы можем заказать его у производителя (требуется предоплата).
В кредит от 7 063 ₽/мес
Добавить в избранное
Добавить в сравнение
Котел пищеварочный ПищТех КПЭЛ-160 в Москве , фото 1
Котел пищеварочный ПищТех КПЭЛ-160 в Москве , фото 2
Котел пищеварочный ПищТех КПЭЛ-160
Страна-производитель: Россия, Объем, л: 160, Опрокидывание: нет, t режим, °С: +20...+95, Сливной кран: да, Материал корпуса: оцинкованная сталь, Мощность, Вт: 18100, Габариты: (Ш×Г×В): 84.2×90×86
Категория: 160 литров
Срок гарантии, мес
12
Страна-производитель
Россия
Производитель
Объем, л
160
Установка
Напольная
Способ нагрева
Косвенный
Подключение
Электричество
Опрокидывание
нет
Управление
Электромеханическое
Миксер
Нет
Кол-во режимов работы
3
t режим, °С
+20...+95
Сливной кран
да
Время разогрева, мин
60
Количество варочных сосудов
1
Таймер
Нет
Манометр
Да
Материал варочного сосуда
Нержавеющая сталь
Материал лицевой панели
Нержавеющая сталь
Материал корпуса
оцинкованная сталь
Мощность, Вт
18100
Напряжение, В
380
Ширина, см
84.2
Глубина, см
90
Высота, см
86
Вес без упаковки, кг
125
Ширина в упаковке, см
120
Глубина в упаковке, см
93
Высота в упаковке, см
122
Вес в упаковке, кг
140
Весь список
206 608
Под заказ
Товара нет в наличии на складе, но мы можем заказать его у производителя (требуется предоплата).
В кредит от 7 260 ₽/мес
Добавить в избранное
Добавить в сравнение
Котел пищеварочный Проммаш КЭ-160К-6 в Москве , фото 1
Котел пищеварочный Проммаш КЭ-160К-6 в Москве , фото 2
Котел пищеварочный Проммаш КЭ-160К-6
Страна-производитель: Россия, Объем, л: 160, Опрокидывание: нет, t режим, °С: 0...+95, Сливной кран: да, Материал корпуса: нержавеющая сталь, Мощность, Вт: 18900, Габариты: (Ш×Г×В): 120×80×85
Категория: 160 литров
Срок гарантии, мес
12
Страна марки
Россия
Страна-производитель
Россия
Производитель
Объем, л
160
Установка
Напольная
Способ нагрева
Косвенный
Подключение
Электричество
Опрокидывание
нет
Управление
Механическое
Миксер
Нет
Кол-во режимов работы
3
Время разогрева до рабочей t
60
t режим, °С
0...+95
Сливной кран
да
Время разогрева, мин
60
Количество варочных сосудов
1
Таймер
Нет
Манометр
Да
Материал варочного сосуда
Нержавеющая сталь
Материал лицевой панели
Нержавеющая сталь
Материал корпуса
нержавеющая сталь
Мощность, Вт
18900
Напряжение, В
380
Ширина, см
120
Глубина, см
80
Высота, см
85
Вес без упаковки, кг
144
Весь список
207 507
Под заказ
Товара нет в наличии на складе, но мы можем заказать его у производителя (требуется предоплата).
В кредит от 7 292 ₽/мес
Добавить в избранное
Добавить в сравнение
Котел пищеварочный Проммаш КЭ-160К в Москве , фото 1
Котел пищеварочный Проммаш КЭ-160К в Москве , фото 2
Котел пищеварочный Проммаш КЭ-160К
Страна-производитель: Россия, Объем, л: 160, Опрокидывание: нет, Сливной кран: да, Материал корпуса: нержавеющая сталь, Мощность, Вт: 24000, Габариты: (Ш×Г×В): 120×80×85
Категория: 160 литров
Срок гарантии, мес
12
Страна марки
Россия
Страна-производитель
Россия
Производитель
Объем, л
160
Установка
Напольная
Способ нагрева
Косвенный
Подключение
Электричество
Опрокидывание
нет
Управление
Механическое
Миксер
Нет
Кол-во режимов работы
3
Время разогрева до рабочей t
50
Сливной кран
да
Время разогрева, мин
50
Количество варочных сосудов
1
Таймер
Нет
Манометр
Да
Материал варочного сосуда
Нержавеющая сталь
Материал лицевой панели
Нержавеющая сталь
Материал корпуса
нержавеющая сталь
Мощность, Вт
24000
Напряжение, В
380
Ширина, см
120
Глубина, см
80
Высота, см
85
Вес без упаковки, кг
144
Весь список
219 778
Под заказ
Товара нет в наличии на складе, но мы можем заказать его у производителя (требуется предоплата).
В кредит от 7 723 ₽/мес
Добавить в избранное
Добавить в сравнение
Котел пищеварочный ПищТех КПЭЛ-250 в Москве , фото 1
Котел пищеварочный ПищТех КПЭЛ-250 в Москве , фото 2
Котел пищеварочный ПищТех КПЭЛ-250
Страна-производитель: Россия, Объем, л: 250, Опрокидывание: нет, t режим, °С: +20...+95, Сливной кран: да, Материал корпуса: оцинкованная сталь, Мощность, Вт: 18100, Габариты: (Ш×Г×В): 90×84.2×128
Категория: 160 литров
Срок гарантии, мес
12
Страна-производитель
Россия
Производитель
Объем, л
250
Установка
Напольная
Подключение
Электричество
Опрокидывание
нет
Управление
Электромеханическое
Миксер
Нет
Время разогрева до рабочей t
80
t режим, °С
+20...+95
Сливной кран
да
Количество варочных сосудов
1
Таймер
Нет
Манометр
Да
Материал варочного сосуда
Нержавеющая сталь
Материал лицевой панели
Нержавеющая сталь
Материал корпуса
оцинкованная сталь
Мощность, Вт
18100
Напряжение, В
380
Ширина, см
90
Глубина, см
84.2
Высота, см
128
Вес без упаковки, кг
152
Весь список
224 693
Под заказ
Товара нет в наличии на складе, но мы можем заказать его у производителя (требуется предоплата).
В кредит от 7 896 ₽/мес
Добавить в избранное
Добавить в сравнение
Котел пищеварочный Abat КПЭМ-160П в Москве , фото 1
Котел пищеварочный Abat КПЭМ-160П в Москве , фото 2
Котел пищеварочный Abat КПЭМ-160П
Страна-производитель: Россия, Объем, л: 160, Опрокидывание: нет, Сливной кран: да, Материал корпуса: нержавеющая сталь, Габариты: (Ш×Г×В): 92.5×92.5×103
Категория: 160 литров
Срок гарантии, мес
12
Страна марки
Россия
Страна-производитель
Россия
Производитель
Объем, л
160
Установка
Напольная
Способ нагрева
Косвенный
Подключение
Пар
Опрокидывание
нет
Диаметр котла, мм
650
Управление
Механическое
Миксер
Нет
Кол-во режимов работы
3
Время разогрева до рабочей t
35
Сливной кран
да
Время разогрева, мин
35
Количество варочных сосудов
1
Таймер
Нет
Манометр
Да
Материал варочного сосуда
Нержавеющая сталь
Материал лицевой панели
Нержавеющая сталь
Материал корпуса
нержавеющая сталь
Ширина, см
92.5
Глубина, см
92.5
Высота, см
103
Вес без упаковки, кг
111
Ширина в упаковке, см
101
Глубина в упаковке, см
101
Высота в упаковке, см
128
Вес в упаковке, кг
165
Весь список
229 705
Под заказ
Товара нет в наличии на складе, но мы можем заказать его у производителя (требуется предоплата).
В кредит от 8 072 ₽/мес
Добавить в избранное
Добавить в сравнение
Котел пищеварочный Abat КПЭМ-160/9Т (лицо нерж.) в Москве , фото 1
Котел пищеварочный Abat КПЭМ-160/9Т (лицо нерж.) в Москве , фото 2
Котел пищеварочный Abat КПЭМ-160/9Т (лицо нерж.) в Москве , фото 3
Котел пищеварочный Abat КПЭМ-160/9Т (лицо нерж.) в Москве , фото 4
Котел пищеварочный Abat КПЭМ-160/9Т (лицо нерж.)
Страна-производитель: Россия, Объем, л: 160, Опрокидывание: нет, t режим, °С: 0...+100, Сливной кран: да, Материал корпуса: крашенная сталь, Мощность, Вт: 18100, Габариты: (Ш×Г×В): 84.1×101.5×103
Категория: 160 литров
Срок гарантии, мес
12
Страна марки
Россия
Страна-производитель
Россия
Производитель
Объем, л
160
Установка
Напольная
Способ нагрева
Косвенный
Подключение
Электричество
Опрокидывание
нет
Диаметр котла, мм
652
Управление
Механическое
Миксер
Нет
Кол-во режимов работы
3
Время разогрева до рабочей t
60
t режим, °С
0...+100
Сливной кран
да
Время разогрева, мин
60
Количество варочных сосудов
1
Таймер
Нет
Манометр
Да
Материал варочного сосуда
Нержавеющая сталь
Материал лицевой панели
Нержавеющая сталь
Материал корпуса
крашенная сталь
Мощность, Вт
18100
Напряжение, В
380
Ширина, см
84.1
Глубина, см
101.5
Высота, см
103
Вес без упаковки, кг
127
Ширина в упаковке, см
112
Глубина в упаковке, см
94
Высота в упаковке, см
124
Вес в упаковке, кг
178
Весь список
236 863
Под заказ
Товара нет в наличии на складе, но мы можем заказать его у производителя (требуется предоплата).
В кредит от 8 323 ₽/мес
Добавить в избранное
Добавить в сравнение
Котел пищеварочный Проммаш КЭ-160 в Москве , фото 1
Котел пищеварочный Проммаш КЭ-160 в Москве , фото 2
Котел пищеварочный Проммаш КЭ-160
Страна-производитель: Россия, Объем, л: 160, Опрокидывание: нет, Сливной кран: да, Материал корпуса: окрашенный металл, Мощность, Вт: 24000, Габариты: (Ш×Г×В): 120×80×85
Категория: 160 литров
Срок гарантии, мес
12
Страна марки
Россия
Страна-производитель
Россия
Производитель
Объем, л
160
Установка
Напольная
Способ нагрева
Косвенный
Подключение
Электричество
Опрокидывание
нет
Управление
Механическое
Миксер
Нет
Время разогрева до рабочей t
50
Сливной кран
да
Время разогрева, мин
50
Количество варочных сосудов
1
Таймер
Нет
Манометр
Да
Материал варочного сосуда
Нержавеющая сталь
Материал лицевой панели
Нержавеющая сталь
Материал корпуса
окрашенный металл
Мощность, Вт
24000
Напряжение, В
380
Ширина, см
120
Глубина, см
80
Высота, см
85
Вес без упаковки, кг
144
Весь список
238 410
Под заказ
Товара нет в наличии на складе, но мы можем заказать его у производителя (требуется предоплата).
В кредит от 8 378 ₽/мес
Добавить в избранное
Добавить в сравнение
Котел пищеварочный Abat КПЭМ-160-ОМР в Москве , фото 1
Котел пищеварочный Abat КПЭМ-160-ОМР в Москве , фото 2
Котел пищеварочный Abat КПЭМ-160-ОМР в Москве , фото 3
Котел пищеварочный Abat КПЭМ-160-ОМР в Москве , фото 4
Котел пищеварочный Abat КПЭМ-160-ОМР в Москве , фото 5
Котел пищеварочный Abat КПЭМ-160-ОМР
Страна-производитель: Россия, Объем, л: 160, Опрокидывание: ручное, t режим, °С: 0...+100, Сливной кран: нет, Материал корпуса: нержавеющая сталь, Мощность, Вт: 19700, Габариты: (Ш×Г×В): 126.6×86.1×124.3
Категория: 160 литров
Срок гарантии, мес
12
Страна марки
Россия
Страна-производитель
Россия
Производитель
Объем, л
160
Установка
Напольная
Способ нагрева
Косвенный
Подключение
Электричество
Опрокидывание
ручное
Диаметр котла, мм
652
Управление
Механическое
Миксер
Да
Кол-во режимов работы
3
Время разогрева до рабочей t
60
t режим, °С
0...+100
Сливной кран
нет
Время разогрева, мин
60
Количество варочных сосудов
1
Таймер
Нет
Манометр
Да
Материал варочного сосуда
Нержавеющая сталь
Материал лицевой панели
Нержавеющая сталь
Материал корпуса
нержавеющая сталь
Мощность, Вт
19700
Напряжение, В
380
Ширина, см
126.6
Глубина, см
86.1
Высота, см
124.3
Вес без упаковки, кг
163
Ширина в упаковке, см
136
Глубина в упаковке, см
98
Высота в упаковке, см
143.9
Вес в упаковке, кг
225
Весь список
404 836
Под заказ
Товара нет в наличии на складе, но мы можем заказать его у производителя (требуется предоплата).
В кредит от 14 226 ₽/мес
Добавить в избранное
Добавить в сравнение
Котел пищеварочный Abat КПЭМ-160-ОМР со сливным краном в Москве , фото 1
Котел пищеварочный Abat КПЭМ-160-ОМР со сливным краном в Москве , фото 2
Котел пищеварочный Abat КПЭМ-160-ОМР со сливным краном в Москве , фото 3
Котел пищеварочный Abat КПЭМ-160-ОМР со сливным краном
Страна-производитель: Россия, Объем, л: 160, Опрокидывание: ручное, t режим, °С: 0...+100, Сливной кран: да, Материал корпуса: нержавеющая сталь, Мощность, Вт: 19200, Габариты: (Ш×Г×В): 126.6×92.2×124.3
Категория: 160 литров
Срок гарантии, мес
12
Страна марки
Россия
Страна-производитель
Россия
Производитель
Объем, л
160
Установка
Напольная
Способ нагрева
Косвенный
Подключение
Электричество
Опрокидывание
ручное
Диаметр котла, мм
652
Диаметр сливного крана, мм
40
Управление
Механическое
Миксер
Да
Кол-во режимов работы
3
Время разогрева до рабочей t
60
t режим, °С
0...+100
Сливной кран
да
Время разогрева, мин
60
Количество варочных сосудов
1
Таймер
Нет
Манометр
Да
Материал варочного сосуда
Нержавеющая сталь
Материал лицевой панели
Нержавеющая сталь
Материал корпуса
нержавеющая сталь
Мощность, Вт
19200
Напряжение, В
380
Ширина, см
126.6
Глубина, см
92.2
Высота, см
124.3
Вес без упаковки, кг
170
Ширина в упаковке, см
136
Глубина в упаковке, см
104
Высота в упаковке, см
143.9
Вес в упаковке, кг
234
Весь список
427 538
Под заказ
Товара нет в наличии на складе, но мы можем заказать его у производителя (требуется предоплата).
В кредит от 15 024 ₽/мес
Добавить в избранное
Добавить в сравнение
Котел пищеварочный Abat КПЭМ-160-О в Москве , фото 1
Котел пищеварочный Abat КПЭМ-160-О в Москве , фото 2
Котел пищеварочный Abat КПЭМ-160-О в Москве , фото 3
Котел пищеварочный Abat КПЭМ-160-О в Москве , фото 4
Котел пищеварочный Abat КПЭМ-160-О в Москве , фото 5
Котел пищеварочный Abat КПЭМ-160-О
Страна-производитель: Россия, Объем, л: 160, Опрокидывание: электропривод, t режим, °С: +30...+120, Сливной кран: нет, Материал корпуса: нержавеющая сталь, Мощность, Вт: 18200, Габариты: (Ш×Г×В): 136.3×98×115
Категория: 160 литров
Срок гарантии, мес
12
Страна марки
Россия
Страна-производитель
Россия
Производитель
Объем, л
160
Установка
Напольная
Способ нагрева
Косвенный
Подключение
Электричество
Опрокидывание
электропривод
Диаметр котла, мм
652
Управление
Электронное
Миксер
Нет
Время разогрева до рабочей t
60
t режим, °С
+30...+120
Сливной кран
нет
Время разогрева, мин
60
Количество варочных сосудов
1
Таймер
0-10 часов
Материал варочного сосуда
Нержавеющая сталь
Материал лицевой панели
Нержавеющая сталь
Материал корпуса
нержавеющая сталь
Мощность, Вт
18200
Напряжение, В
380
Ширина, см
136.3
Глубина, см
98
Высота, см
115
Вес без упаковки, кг
228
Ширина в упаковке, см
146.5
Глубина в упаковке, см
104
Высота в упаковке, см
145.8
Вес в упаковке, кг
331
Весь список
511 190
Под заказ
Товара нет в наличии на складе, но мы можем заказать его у производителя (требуется предоплата).
В кредит от 17 964 ₽/мес
Добавить в избранное
Добавить в сравнение
Котел пищеварочный Abat КПЭМ-160-О со сливным краном в Москве , фото 1
Котел пищеварочный Abat КПЭМ-160-О со сливным краном в Москве , фото 2
Котел пищеварочный Abat КПЭМ-160-О со сливным краном в Москве , фото 3
Котел пищеварочный Abat КПЭМ-160-О со сливным краном
Страна-производитель: Россия, Объем, л: 160, Опрокидывание: электропривод, t режим, °С: +30...+120, Сливной кран: да, Материал корпуса: нержавеющая сталь, Мощность, Вт: 18200, Габариты: (Ш×Г×В): 136.3×99.1×115
Категория: 160 литров
Срок гарантии, мес
12
Страна марки
Россия
Страна-производитель
Россия
Производитель
Объем, л
160
Установка
Напольная
Способ нагрева
Косвенный
Подключение
Электричество
Опрокидывание
электропривод
Диаметр котла, мм
652
Диаметр сливного крана, мм
40
Управление
Электронное
Миксер
Нет
Время разогрева до рабочей t
60
t режим, °С
+30...+120
Сливной кран
да
Время разогрева, мин
60
Количество варочных сосудов
1
Таймер
0-10 часов
Материал варочного сосуда
Нержавеющая сталь
Материал лицевой панели
Нержавеющая сталь
Материал корпуса
нержавеющая сталь
Мощность, Вт
18200
Напряжение, В
380
Ширина, см
136.3
Глубина, см
99.1
Высота, см
115
Вес без упаковки, кг
244
Ширина в упаковке, см
146.5
Глубина в упаковке, см
114
Высота в упаковке, см
145.8
Вес в упаковке, кг
362
Весь список
543 573
Под заказ
Товара нет в наличии на складе, но мы можем заказать его у производителя (требуется предоплата).
В кредит от 19 102 ₽/мес
Добавить в избранное
Добавить в сравнение
Котел пищеварочный Abat КПЭМ-160-ОМР-В в Москве , фото 1
Котел пищеварочный Abat КПЭМ-160-ОМР-В в Москве , фото 2
Котел пищеварочный Abat КПЭМ-160-ОМР-В в Москве , фото 3
Котел пищеварочный Abat КПЭМ-160-ОМР-В в Москве , фото 4
Котел пищеварочный Abat КПЭМ-160-ОМР-В
Страна-производитель: Россия, Объем, л: 160, Опрокидывание: ручное, t режим, °С: 0…+125, Сливной кран: нет, Материал корпуса: нержавеющая сталь, Мощность, Вт: 19700, Габариты: (Ш×Г×В): 131×91.8×127.6
Категория: 160 литров
Срок гарантии, мес
12
Страна марки
Россия
Страна-производитель
Россия
Производитель
Объем, л
160
Установка
Напольная
Способ нагрева
Косвенный
Подключение
Электричество
Опрокидывание
ручное
Диаметр котла, мм
648
Управление
Электронное
Миксер
Да
Кол-во режимов работы
3
Время разогрева до рабочей t
70
t режим, °С
0…+125
Сливной кран
нет
Время разогрева, мин
70
Количество варочных сосудов
1
Таймер
Есть
Манометр
Нет
Материал варочного сосуда
Нержавеющая сталь
Материал лицевой панели
Нержавеющая сталь
Материал корпуса
нержавеющая сталь
Мощность, Вт
19700
Напряжение, В
380
Ширина, см
131
Глубина, см
91.8
Высота, см
127.6
Вес без упаковки, кг
163
Ширина в упаковке, см
136
Глубина в упаковке, см
98
Высота в упаковке, см
143.9
Вес в упаковке, кг
225
Весь список
553 463
Под заказ
Товара нет в наличии на складе, но мы можем заказать его у производителя (требуется предоплата).
В кредит от 19 449 ₽/мес
Добавить в избранное
Добавить в сравнение
Котел пищеварочный Abat КПЭМ-160-ОМР-ВК в Москве , фото 1
Котел пищеварочный Abat КПЭМ-160-ОМР-ВК в Москве , фото 2
Котел пищеварочный Abat КПЭМ-160-ОМР-ВК в Москве , фото 3
Котел пищеварочный Abat КПЭМ-160-ОМР-ВК в Москве , фото 4
Котел пищеварочный Abat КПЭМ-160-ОМР-ВК
Страна-производитель: Россия, Объем, л: 160, Опрокидывание: ручное, t режим, °С: 0…+125, Сливной кран: да, Материал корпуса: нержавеющая сталь, Мощность, Вт: 19700, Габариты: (Ш×Г×В): 131×97.9×127.6
Категория: 160 литров
Срок гарантии, мес
12
Страна марки
Россия
Страна-производитель
Россия
Производитель
Объем, л
160
Установка
Напольная
Способ нагрева
Косвенный
Подключение
Электричество
Опрокидывание
ручное
Диаметр котла, мм
648
Диаметр сливного крана, мм
40
Управление
Электронное
Миксер
Да
Кол-во режимов работы
2
Время разогрева до рабочей t
70
t режим, °С
0…+125
Сливной кран
да
Время разогрева, мин
70
Количество варочных сосудов
1
Таймер
Нет
Манометр
Нет
Материал варочного сосуда
Нержавеющая сталь
Материал лицевой панели
Нержавеющая сталь
Материал корпуса
нержавеющая сталь
Мощность, Вт
19700
Напряжение, В
380
Ширина, см
131
Глубина, см
97.9
Высота, см
127.6
Вес без упаковки, кг
163
Ширина в упаковке, см
136
Глубина в упаковке, см
98
Высота в упаковке, см
143.9
Вес в упаковке, кг
225
Весь список
569 790
Под заказ: 128 дней
Товара нет в наличии на складе, но мы можем заказать его у производителя (требуется предоплата).
В кредит от 20 023 ₽/мес
Добавить в избранное
Добавить в сравнение
Котел пищеварочный судовой Проммаш КСЭ-160 в Москве , фото 1
Котел пищеварочный судовой Проммаш КСЭ-160 в Москве , фото 2
Котел пищеварочный судовой Проммаш КСЭ-160
Страна-производитель: Россия, Объем, л: 160, Опрокидывание: нет, t режим, °С: 0...+95, Сливной кран: да, Материал корпуса: нержавеющая сталь, Мощность, Вт: 24000, Габариты: (Ш×Г×В): 110×80×85
Категория: 160 литров
Срок гарантии, мес
12
Страна марки
Россия
Страна-производитель
Россия
Производитель
Объем, л
160
Установка
Напольная
Способ нагрева
Прямой
Подключение
Электричество
Опрокидывание
нет
Управление
Механическое
Миксер
Нет
Кол-во режимов работы
3
Время разогрева до рабочей t
50
t режим, °С
0...+95
Сливной кран
да
Время разогрева, мин
50
Количество варочных сосудов
1
Таймер
Нет
Манометр
Да
Материал варочного сосуда
Нержавеющая сталь
Материал лицевой панели
Нержавеющая сталь
Материал корпуса
нержавеющая сталь
Мощность, Вт
24000
Напряжение, В
220/380
Ширина, см
110
Глубина, см
80
Высота, см
85
Вес без упаковки, кг
200
Весь список
580 974
Под заказ
Товара нет в наличии на складе, но мы можем заказать его у производителя (требуется предоплата).
В кредит от 20 416 ₽/мес
Добавить в избранное
Добавить в сравнение
Котел пищеварочный Abat КПЭМ-160-ОМ2 в Москве , фото 1
Котел пищеварочный Abat КПЭМ-160-ОМ2 в Москве , фото 2
Котел пищеварочный Abat КПЭМ-160-ОМ2 в Москве , фото 3
Котел пищеварочный Abat КПЭМ-160-ОМ2 в Москве , фото 4
Котел пищеварочный Abat КПЭМ-160-ОМ2 в Москве , фото 5
Котел пищеварочный Abat КПЭМ-160-ОМ2
Страна-производитель: Россия, Объем, л: 160, Опрокидывание: электропривод, t режим, °С: +3…+120, Сливной кран: нет, Материал корпуса: нержавеющая сталь, Мощность, Вт: 21000, Габариты: (Ш×Г×В): 136.3×95×116.4
Категория: 160 литров
Срок гарантии, мес
12
Страна марки
Россия
Страна-производитель
Россия
Производитель
Объем, л
160
Установка
Напольная
Способ нагрева
Косвенный
Подключение
Электричество
Опрокидывание
электропривод
Диаметр котла, мм
425
Управление
Электронное
Миксер
Да
Время разогрева до рабочей t
60
t режим, °С
+3…+120
Сливной кран
нет
Время разогрева, мин
60
Количество варочных сосудов
1
Таймер
0-10 часов
Материал варочного сосуда
Нержавеющая сталь
Материал лицевой панели
Нержавеющая сталь
Материал корпуса
нержавеющая сталь
Мощность, Вт
21000
Напряжение, В
380
Ширина, см
136.3
Глубина, см
95
Высота, см
116.4
Вес без упаковки, кг
274
Ширина в упаковке, см
146.5
Глубина в упаковке, см
104
Высота в упаковке, см
145.8
Вес в упаковке, кг
377
Весь список
763 821
Под заказ
Товара нет в наличии на складе, но мы можем заказать его у производителя (требуется предоплата).
Добавить в избранное
Добавить в сравнение
Котел пищеварочный Abat КПЭМ-160-ОМ2 со сливным краном в Москве , фото 1
Котел пищеварочный Abat КПЭМ-160-ОМ2 со сливным краном в Москве , фото 2
Котел пищеварочный Abat КПЭМ-160-ОМ2 со сливным краном в Москве , фото 3
Котел пищеварочный Abat КПЭМ-160-ОМ2 со сливным краном в Москве , фото 4
Котел пищеварочный Abat КПЭМ-160-ОМ2 со сливным краном в Москве , фото 5
Котел пищеварочный Abat КПЭМ-160-ОМ2 со сливным краном
Страна-производитель: Россия, Объем, л: 160, Опрокидывание: электропривод, t режим, °С: +3…+120, Сливной кран: да, Материал корпуса: нержавеющая сталь, Мощность, Вт: 21000, Габариты: (Ш×Г×В): 136.3×98×116.4
Категория: 160 литров
Срок гарантии, мес
12
Страна марки
Россия
Страна-производитель
Россия
Производитель
Объем, л
160
Установка
Напольная
Способ нагрева
Косвенный
Подключение
Электричество
Опрокидывание
электропривод
Диаметр котла, мм
425
Управление
Электронное
Миксер
Да
Время разогрева до рабочей t
60
t режим, °С
+3…+120
Сливной кран
да
Время разогрева, мин
60
Количество варочных сосудов
1
Таймер
0-10 часов
Материал варочного сосуда
Нержавеющая сталь
Материал лицевой панели
Нержавеющая сталь
Материал корпуса
нержавеющая сталь
Мощность, Вт
21000
Напряжение, В
380
Ширина, см
136.3
Глубина, см
98
Высота, см
116.4
Вес без упаковки, кг
274
Ширина в упаковке, см
146.5
Глубина в упаковке, см
104
Высота в упаковке, см
145.8
Вес в упаковке, кг
377
Весь список
775 899
Под заказ
Товара нет в наличии на складе, но мы можем заказать его у производителя (требуется предоплата).
Добавить в избранное
Добавить в сравнение
Котел пищеварочный Abat КПЭМ-160-ОМП в Москве , фото 1
Котел пищеварочный Abat КПЭМ-160-ОМП в Москве , фото 2
Котел пищеварочный Abat КПЭМ-160-ОМП в Москве , фото 3
Котел пищеварочный Abat КПЭМ-160-ОМП в Москве , фото 4
Котел пищеварочный Abat КПЭМ-160-ОМП в Москве , фото 5
Котел пищеварочный Abat КПЭМ-160-ОМП в Москве , фото 6
Котел пищеварочный Abat КПЭМ-160-ОМП
Страна-производитель: Россия, Объем, л: 160, Опрокидывание: электропривод, t режим, °С: +3…+120, Сливной кран: нет, Материал корпуса: нержавеющая сталь, Мощность, Вт: 21000, Габариты: (Ш×Г×В): 136.3×95×116.4
Категория: 160 литров
Срок гарантии, мес
12
Страна марки
Россия
Страна-производитель
Россия
Производитель
Объем, л
160
Установка
Напольная
Способ нагрева
Косвенный
Подключение
Электричество
Опрокидывание
электропривод
Диаметр котла, мм
652
Управление
Электронное
Миксер
Да
Время разогрева до рабочей t
60
t режим, °С
+3…+120
Сливной кран
нет
Время разогрева, мин
60
Количество варочных сосудов
1
Таймер
0-10 часов
Материал варочного сосуда
Нержавеющая сталь
Материал лицевой панели
Нержавеющая сталь
Материал корпуса
нержавеющая сталь
Мощность, Вт
21000
Напряжение, В
380
Ширина, см
136.3
Глубина, см
95
Высота, см
116.4
Вес без упаковки, кг
270
Ширина в упаковке, см
146.5
Глубина в упаковке, см
104
Высота в упаковке, см
145.8
Вес в упаковке, кг
373
Весь список
944 432
Под заказ
Товара нет в наличии на складе, но мы можем заказать его у производителя (требуется предоплата).
Добавить в избранное
Добавить в сравнение
Котел пищеварочный Abat КПЭМ-160-ОМП со сливным краном в Москве , фото 1
Котел пищеварочный Abat КПЭМ-160-ОМП со сливным краном в Москве , фото 2
Котел пищеварочный Abat КПЭМ-160-ОМП со сливным краном в Москве , фото 3
Котел пищеварочный Abat КПЭМ-160-ОМП со сливным краном в Москве , фото 4
Котел пищеварочный Abat КПЭМ-160-ОМП со сливным краном в Москве , фото 5
Котел пищеварочный Abat КПЭМ-160-ОМП со сливным краном
Страна-производитель: Россия, Объем, л: 160, Опрокидывание: электропривод, t режим, °С: +3…+120, Сливной кран: да, Материал корпуса: нержавеющая сталь, Мощность, Вт: 21000, Габариты: (Ш×Г×В): 136.3×98×115
Категория: 160 литров
Срок гарантии, мес
12
Страна марки
Россия
Страна-производитель
Россия
Производитель
Объем, л
160
Установка
Напольная
Способ нагрева
Косвенный
Подключение
Электричество
Опрокидывание
электропривод
Диаметр котла, мм
652
Диаметр сливного крана, мм
40
Управление
Электронное
Миксер
Да
Время разогрева до рабочей t
60
t режим, °С
+3…+120
Сливной кран
да
Время разогрева, мин
60
Количество варочных сосудов
1
Таймер
0-10 часов
Материал варочного сосуда
Нержавеющая сталь
Материал лицевой панели
Нержавеющая сталь
Материал корпуса
нержавеющая сталь
Мощность, Вт
21000
Напряжение, В
380
Ширина, см
136.3
Глубина, см
98
Высота, см
115
Вес без упаковки, кг
270
Ширина в упаковке, см
146.5
Глубина в упаковке, см
104
Высота в упаковке, см
145.8
Вес в упаковке, кг
373
Весь список
958 076
Под заказ
Товара нет в наличии на складе, но мы можем заказать его у производителя (требуется предоплата).
Добавить в избранное
Добавить в сравнение
Котел пищеварочный Iterma КП-160 в Москве , фото
Котел пищеварочный Iterma КП-160
Страна-производитель: Россия, Объем, л: 160, Опрокидывание: нет, t режим, °С: 0...+100, Сливной кран: да, Материал корпуса: нержавеющая сталь, Мощность, Вт: 15000, Габариты: (Ш×Г×В): 97×84×110
Категория: 160 литров
Срок гарантии, мес
12
Страна марки
Россия
Страна-производитель
Россия
Производитель
Объем, л
160
Установка
Напольная
Способ нагрева
Косвенный
Подключение
Электричество
Опрокидывание
нет
Управление
Электронное
Миксер
Нет
Время разогрева до рабочей t
60
t режим, °С
0...+100
Сливной кран
да
Время разогрева, мин
60
Количество варочных сосудов
1
Таймер
Нет
Манометр
Да
Материал варочного сосуда
Нержавеющая сталь
Материал лицевой панели
Нержавеющая сталь
Материал корпуса
нержавеющая сталь
Мощность, Вт
15000
Напряжение, В
380
Ширина, см
97
Глубина, см
84
Высота, см
110
Вес без упаковки, кг
100
Ширина в упаковке, см
100
Глубина в упаковке, см
87
Высота в упаковке, см
113
Вес в упаковке, кг
107
Весь список
Цена по запросу
Нет в наличии
Товара нет в наличии.
Обратитесь к нашим специалистам для подбора аналога.
В кредит от 4 026 ₽/мес
Добавить в избранное
Добавить в сравнение
Котел пищеварочный Kayman КПЭ-160 в Москве , фото 1
Котел пищеварочный Kayman КПЭ-160 в Москве , фото 2
Котел пищеварочный Kayman КПЭ-160 в Москве , фото 3
Котел пищеварочный Kayman КПЭ-160 в Москве , фото 4
Котел пищеварочный Kayman КПЭ-160 в Москве , фото 5
Котел пищеварочный Kayman КПЭ-160
Страна-производитель: Россия, Объем, л: 160, Опрокидывание: нет, t режим, °С: +20…+100, Сливной кран: да, Материал корпуса: нержавеющая сталь, Мощность, Вт: 15000, Габариты: (Ш×Г×В): 84×94×111
Категория: 160 литров
Срок гарантии, мес
12
Страна марки
Россия
Страна-производитель
Россия
Производитель
Объем, л
160
Установка
Напольная
Способ нагрева
Косвенный
Подключение
Электричество
Опрокидывание
нет
Управление
Механическое
Миксер
Нет
Время разогрева до рабочей t
65
t режим, °С
+20…+100
Сливной кран
да
Время разогрева, мин
65
Количество варочных сосудов
1
Таймер
Нет
Манометр
Да
Материал варочного сосуда
Нержавеющая сталь
Материал лицевой панели
Нержавеющая сталь
Материал корпуса
нержавеющая сталь
Мощность, Вт
15000
Напряжение, В
380
Ширина, см
84
Глубина, см
94
Высота, см
111
Вес без упаковки, кг
170
Весь список
Цена по запросу
Нет в наличии
Товара нет в наличии.
Обратитесь к нашим специалистам для подбора аналога.
В кредит от 4 094 ₽/мес
Добавить в избранное
Добавить в сравнение
Котел пищеварочный Сервиспищеторг КПЭ 160НН в Москве , фото 1
Котел пищеварочный Сервиспищеторг КПЭ 160НН в Москве , фото 2
Котел пищеварочный Сервиспищеторг КПЭ 160НН в Москве , фото 3
Котел пищеварочный Сервиспищеторг КПЭ 160НН в Москве , фото 4
Котел пищеварочный Сервиспищеторг КПЭ 160НН
Страна-производитель: Беларусь, Объем, л: 160, Опрокидывание: нет, t режим, °С: 0...+100, Сливной кран: да, Мощность, Вт: 15000, Габариты: (Ш×Г×В): 94×84×111
Категория: 160 литров
Срок гарантии, мес
12
Страна марки
Беларусь
Страна-производитель
Беларусь
Производитель
Объем, л
160
Установка
Напольная
Способ нагрева
Косвенный
Подключение
Электричество
Опрокидывание
нет
Управление
Механическое
Миксер
Нет
Время разогрева до рабочей t
65
t режим, °С
0...+100
Сливной кран
да
Время разогрева, мин
65
Количество варочных сосудов
1
Манометр
Да
Материал варочного сосуда
Нержавеющая сталь
Мощность, Вт
15000
Напряжение, В
380
Ширина, см
94
Глубина, см
84
Высота, см
111
Вес без упаковки, кг
170
Весь список
Цена по запросу
Нет в наличии
Товара нет в наличии.
Обратитесь к нашим специалистам для подбора аналога.
В кредит от 4 996 ₽/мес
Добавить в избранное
Добавить в сравнение
Котел пищеварочный Проммаш КЭ-160В в Москве , фото 1
Котел пищеварочный Проммаш КЭ-160В в Москве , фото 2
Котел пищеварочный Проммаш КЭ-160В
Страна-производитель: Россия, Объем, л: 160, Опрокидывание: нет, t режим, °С: 0...+95, Сливной кран: да, Материал корпуса: нержавеющая сталь, Мощность, Вт: 24000, Габариты: (Ш×Г×В): 120×80×85
Категория: 160 литров
Срок гарантии, мес
12
Страна марки
Россия
Страна-производитель
Россия
Производитель
Объем, л
160
Установка
Напольная
Способ нагрева
Косвенный
Подключение
Электричество
Опрокидывание
нет
Управление
Механическое
Миксер
Нет
Кол-во режимов работы
3
Время разогрева до рабочей t
50
t режим, °С
0...+95
Сливной кран
да
Время разогрева, мин
50
Количество варочных сосудов
1
Таймер
Нет
Манометр
Да
Материал варочного сосуда
Нержавеющая сталь
Материал лицевой панели
Нержавеющая сталь
Материал корпуса
нержавеющая сталь
Мощность, Вт
24000
Напряжение, В
380
Ширина, см
120
Глубина, см
80
Высота, см
85
Вес без упаковки, кг
144
Весь список
Цена по запросу
Нет в наличии
Товара нет в наличии.
Обратитесь к нашим специалистам для подбора аналога.
В кредит от 6 271 ₽/мес

Хиты продаж

Добавить в сравнение
Добавить в избранное
Котел пищеварочный Abat КПЭМ-60-ОР, фото 1
Котел пищеварочный Abat КПЭМ-60-ОР, фото 2
Страна-производитель: Россия, Объем, л: 60, Опрокидывание: ручное, t режим, °С: 0...+100, Сливной кран: нет, Материал корпуса: нержавеющая сталь, Мощность, Вт: 9100
191 011
В наличии: 2 шт.
Товар в наличии на складе.
Доставим в кратчайшие сроки!
В кредит от 6 712 ₽/мес
Добавить в сравнение
Добавить в избранное
Котел пищеварочный Abat КПЭМ-100/9Т, фото 1
Котел пищеварочный Abat КПЭМ-100/9Т, фото 2
Котел пищеварочный Abat КПЭМ-100/9Т, фото 3
Котел пищеварочный Abat КПЭМ-100/9Т, фото 4
Страна-производитель: Россия, Объем, л: 100, Опрокидывание: нет, t режим, °С: 0...+100, Сливной кран: да, Материал корпуса: нержавеющая сталь, Мощность, Вт: 18100
243 461
В наличии: 3 шт.
Товар в наличии на складе.
Доставим в кратчайшие сроки!
В кредит от 8 555 ₽/мес
Добавить в сравнение
Добавить в избранное
Котел пищеварочный Abat КПЭМ-160/9Т, фото 1
Котел пищеварочный Abat КПЭМ-160/9Т, фото 2
Котел пищеварочный Abat КПЭМ-160/9Т, фото 3
Котел пищеварочный Abat КПЭМ-160/9Т, фото 4
Страна-производитель: Россия, Объем, л: 160, Опрокидывание: нет, t режим, °С: 0...+100, Сливной кран: да, Материал корпуса: нержавеющая сталь, Мощность, Вт: 18100
247 599
В наличии: 1 шт.
Товар в наличии на складе.
Доставим в кратчайшие сроки!
В кредит от 8 701 ₽/мес
Добавить в сравнение
Добавить в избранное
Котел пищеварочный Abat КПЭМ-250/9Т, фото 1
Котел пищеварочный Abat КПЭМ-250/9Т, фото 2
Котел пищеварочный Abat КПЭМ-250/9Т, фото 3
Котел пищеварочный Abat КПЭМ-250/9Т, фото 4
Страна-производитель: Россия, Объем, л: 250, Опрокидывание: нет, t режим, °С: 0...+100, Сливной кран: да, Материал корпуса: нержавеющая сталь, Мощность, Вт: 18100
275 781
В наличии: 1 шт.
Товар в наличии на складе.
Доставим в кратчайшие сроки!
В кредит от 9 691 ₽/мес
Добавить в сравнение
Добавить в избранное
Котел пищеварочный Abat КПЭМ-60/7Т (11000009839), фото 1
Котел пищеварочный Abat КПЭМ-60/7Т (11000009839), фото 2
Котел пищеварочный Abat КПЭМ-60/7Т (11000009839), фото 3
Котел пищеварочный Abat КПЭМ-60/7Т (11000009839), фото 4
Страна-производитель: Россия, Объем, л: 60, Опрокидывание: нет, t режим, °С: 0...+100, Сливной кран: да, Материал корпуса: нержавеющая сталь, Мощность, Вт: 9100
204 095
В наличии: 1 шт.
Товар в наличии на складе.
Доставим в кратчайшие сроки!
В кредит от 7 172 ₽/мес
Добавить в сравнение
Добавить в избранное
Котел пищеварочный Abat КПЭМ-100-ОР, фото 1
Котел пищеварочный Abat КПЭМ-100-ОР, фото 2
Страна-производитель: Россия, Объем, л: 100, Опрокидывание: ручное, t режим, °С: 0...+100, Сливной кран: нет, Материал корпуса: нержавеющая сталь, Мощность, Вт: 18100
234 402
В наличии: 5 шт.
Товар в наличии на складе.
Доставим в кратчайшие сроки!
В кредит от 8 237 ₽/мес
Добавить в сравнение
Добавить в избранное
Котел пищеварочный Abat КПЭМ-60/9Т, фото 1
Котел пищеварочный Abat КПЭМ-60/9Т, фото 2
Котел пищеварочный Abat КПЭМ-60/9Т, фото 3
Котел пищеварочный Abat КПЭМ-60/9Т, фото 4
Страна-производитель: Россия, Объем, л: 60, Опрокидывание: нет, t режим, °С: 0...+100, Сливной кран: да, Материал корпуса: нержавеющая сталь, Мощность, Вт: 9100
202 306
В наличии: 3 шт.
Товар в наличии на складе.
Доставим в кратчайшие сроки!
В кредит от 7 109 ₽/мес
Добавить в сравнение
Добавить в избранное
Котел пищеварочный Abat КПЭМ-350-ОМ2, фото 1
Котел пищеварочный Abat КПЭМ-350-ОМ2, фото 2
Котел пищеварочный Abat КПЭМ-350-ОМ2, фото 3
Котел пищеварочный Abat КПЭМ-350-ОМ2, фото 4
Котел пищеварочный Abat КПЭМ-350-ОМ2, фото 5
Котел пищеварочный Abat КПЭМ-350-ОМ2, фото 6
Котел пищеварочный Abat КПЭМ-350-ОМ2, фото 7
Страна-производитель: Россия, Объем, л: 350, Опрокидывание: электропривод, t режим, °С: +3…+120, Сливной кран: нет, Материал корпуса: нержавеющая сталь, Мощность, Вт: 37700
958 076
Под заказ
Товара нет в наличии на складе, но мы можем заказать его у производителя (требуется предоплата).
Добавить в сравнение
Добавить в избранное
Котел пищеварочный Abat КПЭМ-250-О со сливным краном, фото 1
Котел пищеварочный Abat КПЭМ-250-О со сливным краном, фото 2
Котел пищеварочный Abat КПЭМ-250-О со сливным краном, фото 3
Страна-производитель: Россия, Объем, л: 250, Опрокидывание: электропривод, t режим, °С: +30...+120, Сливной кран: да, Материал корпуса: нержавеющая сталь, Мощность, Вт: 27200
632 082
Под заказ
Товара нет в наличии на складе, но мы можем заказать его у производителя (требуется предоплата).
Добавить в сравнение
Добавить в избранное
Гастротанк КПЭ-160-М фото
Страна-производитель: Россия, Объем, л: 160, Опрокидывание: нет, t режим, °С: +20...+95, Сливной кран: да, Материал корпуса: нержавеющая сталь, Мощность, Вт: 15000
135 889-2%
138 692
В наличии: 13 шт.
Товар в наличии на складе.
Доставим в кратчайшие сроки!
В кредит от 4 775 ₽/мес
Добавить в сравнение
Добавить в избранное
КПЭ-100-М фото
Страна-производитель: Россия, Объем, л: 100, Опрокидывание: нет, t режим, °С: +20...+95, Сливной кран: да, Материал корпуса: нержавеющая сталь, Мощность, Вт: 15000
124 626-2%
127 197
В наличии: 5 шт.
Товар в наличии на складе.
Доставим в кратчайшие сроки!
В кредит от 4 379 ₽/мес
Добавить в сравнение
Добавить в избранное
КПЭ-60-М фото
Страна-производитель: Россия, Объем, л: 60, Опрокидывание: нет, t режим, °С: +20…+100, Сливной кран: да, Материал корпуса: нержавеющая сталь, Мощность, Вт: 10000
110 667-6%
117 337
В наличии: 1 шт.
Товар в наличии на складе.
Доставим в кратчайшие сроки!
В кредит от 3 889 ₽/мес
Добавить в сравнение
Добавить в избранное
Гастротанк КПЭ-250-М фото
Страна-производитель: Россия, Объем, л: 250, Опрокидывание: нет, t режим, °С: +20…+100, Сливной кран: да, Материал корпуса: нержавеющая сталь, Мощность, Вт: 18000
149 713-5%
157 253
В наличии: 23 шт.
Товар в наличии на складе.
Доставим в кратчайшие сроки!
В кредит от 5 261 ₽/мес
Добавить в сравнение
Добавить в избранное
КПЭТ250/9 фото
Страна-производитель: Россия, Объем, л: 250, Опрокидывание: нет, t режим, °С: +20...+95, Сливной кран: да, Материал корпуса: нержавеющая сталь, Мощность, Вт: 18000
165 973-6%
175 931
В наличии: 2 шт.
Товар в наличии на складе.
Доставим в кратчайшие сроки!
В кредит от 5 832 ₽/мес
Добавить в сравнение
Добавить в избранное
Котел пищеварочный ПищТех КПЭЛ-160, фото 1
Котел пищеварочный ПищТех КПЭЛ-160, фото 2
Страна-производитель: Россия, Объем, л: 160, Опрокидывание: нет, t режим, °С: +20...+95, Сливной кран: да, Материал корпуса: оцинкованная сталь, Мощность, Вт: 18100
206 608
Под заказ
Товара нет в наличии на складе, но мы можем заказать его у производителя (требуется предоплата).
В кредит от 7 260 ₽/мес
Проектируем и оснащаем рестораны и кафе с 2005 года
Лучшие условия по оплате для юридических и физических лиц
Доставка по России надежными транспортными компаниями
Гарантия обмена или возврата при обнаружении неустранимых дефектов
ВНИМАНИЕ!!! Информация о товарах, размещенная на сайте, НЕ ЯВЛЯЕТСЯ публичной офертой, определяемой положениями ч.2, ст. 437 Гражданского кодекса Российской Федерации. Производители ВПРАВЕ вносить изменения в технические характеристики, внешний вид и комплектацию товаров БЕЗ предварительного уведомления. Уточняйте характеристики у наших менеджеров перед оформлением заказа.
фон
Эксперты на связи
Время работы: пн-пт 9:00 до 19:00,
сб-вс с 10:00 до 18:00
Написать
телеграм телеграм 2
Telegram
телеграм телеграм 2
MAX