Москва
Время работы
Пн-Пт: 9.00-19.00
Сб-Вс: 10.00-18.00

онлайн заказы круглосуточно
+7 495 123 34 44 8 800 707 34 44
info@whitegoods.ru
8 800 707-34-44
Войти
Избранное
0
Корзина
0
126677 5696 RUB 6847

Производственные разделочные столы

 6847
Аксессуары125
Популярные производители:
Показать еще
Фильтр
Показывать товар
Цена
от
до
Производители
Бренд, торговая марка или название предприятия-производителя, под знаком которого изготовлен товар.
лупа
Показать еще
Ширина, см
от
до
Глубина, см
от
до
Высота, см
от
до
Страна-производитель
Страна изготовитель изделия
Тип
Кол-во ящиков
Материал столешницы
Столешницы изготавливаются из полипропилена, нержавеющей стали, камня. Самый бюджетный вариант - полипропилен. Столешницы из нержавеющей стали камня долговечней, но дороже.
Материал подложки столешницы
Профиль ножек
Борт
Обеспечивает безопасность и чистоту на кухне. Предотвращает попадание брызг горячего жира и снижает риск ожогов, если речь идет о тепловом оборудовании. В нейтральном оборудовании борт защищает от попадания грязи на стену.
Полка
Материал каркаса
Подобрать
Сбросить фильтр
Подобрано 0
Подобрать
или
Добавить в избранное
Добавить в сравнение
Стол производственный Техно-ТТ AppetiTT СПРО-606 Ц в Москве , фото
Стол производственный Техно-ТТ AppetiTT СПРО-606 Ц
Страна-производитель: Россия, Материал столешницы: нержавеющая сталь aisi 430, Материал каркаса: оцинкованная сталь, Габариты: (Ш×Г×В): 60×60×85
Срок гарантии, мес
12
Страна-производитель
Россия
Производитель
Тип
Центральный
Материал столешницы
нержавеющая сталь aisi 430
Толщина столешницы, мм
0.5
Материал подложки столешницы
ДСП
Толщина подложки столешницы, мм
16
Max нагрузка на столешницу, кг
100
Профиль ножек
Уголок
Толщина металла каркаса, мм
1.5
Борт
Да
Полка
Решетчатая
Материал каркаса
оцинкованная сталь
Ширина, см
60
Глубина, см
60
Высота, см
85
Вес без упаковки, кг
12
Весь список
5 945-17%
7 133
В наличии: 6 шт.
Товар в наличии.
Доставим в кратчайшие сроки!
В кредит от 209 ₽/мес
Добавить в избранное
Добавить в сравнение
Стол производственный Техно-ТТ AppetiTT СПСО-606 Ц в Москве , фото
Стол производственный Техно-ТТ AppetiTT СПСО-606 Ц
Страна-производитель: Россия, Материал столешницы: нержавеющая сталь aisi 430, Материал каркаса: оцинкованная сталь, Габариты: (Ш×Г×В): 60×60×85
Срок гарантии, мес
12
Страна-производитель
Россия
Производитель
Тип
Центральный
Материал столешницы
нержавеющая сталь aisi 430
Толщина столешницы, мм
0.5
Материал подложки столешницы
ДСП
Толщина подложки столешницы, мм
16
Max нагрузка на столешницу, кг
100
Профиль ножек
Уголок
Толщина металла каркаса, мм
1.5
Борт
Нет
Полка
Сплошная
Материал каркаса
оцинкованная сталь
Ширина, см
60
Глубина, см
60
Высота, см
85
Вес без упаковки, кг
12.32
Весь список
6 012-17%
7 214
В наличии: 2 шт.
Товар в наличии.
Доставим в кратчайшие сроки!
В кредит от 212 ₽/мес
Добавить в избранное
Добавить в сравнение
Стол производственный Техно-ТТ AppetiTT СПСП-606 Ц в Москве , фото
Стол производственный Техно-ТТ AppetiTT СПСП-606 Ц
Страна-производитель: Россия, Материал столешницы: нержавеющая сталь aisi 430, Материал каркаса: оцинкованная сталь, Габариты: (Ш×Г×В): 60×60×85
Срок гарантии, мес
12
Страна-производитель
Россия
Производитель
Тип
Пристенный
Материал столешницы
нержавеющая сталь aisi 430
Толщина столешницы, мм
0.5
Материал подложки столешницы
ДСП
Толщина подложки столешницы, мм
16
Профиль ножек
Уголок
Толщина металла каркаса, мм
1.5
Борт
Да
Полка
Сплошная
Материал каркаса
оцинкованная сталь
Ширина, см
60
Глубина, см
60
Высота, см
85
Вес без упаковки, кг
13.07
Весь список
6 296-17%
7 554
В наличии: 4 шт.
Товар в наличии.
Доставим в кратчайшие сроки!
В кредит от 222 ₽/мес
Добавить в избранное
Добавить в сравнение
Стол производственный ПищТех СРО-8/7ЭЦК в Москве , фото
Стол производственный ПищТех СРО-8/7ЭЦК
Страна-производитель: Россия, Материал столешницы: нержавеющая сталь aisi 430, Материал каркаса: оцинкованная сталь, Габариты: (Ш×Г×В): 80×70×87
Срок гарантии, мес
12
Страна-производитель
Россия
Производитель
Тип
Центральный
Материал столешницы
нержавеющая сталь aisi 430
Толщина столешницы, мм
0.5
Материал подложки столешницы
ЛДСП
Толщина подложки столешницы, мм
16
Профиль ножек
Уголок
Размер профиля ножек, мм
38х38
Толщина металла каркаса, мм
1.5
Диапазон регулировки опорных ножек, мм
20
Борт
Нет
Полка
Решетчатая
Материал каркаса
оцинкованная сталь
Ширина, см
80
Глубина, см
70
Высота, см
87
Вес без упаковки, кг
16.5
Ширина в упаковке, см
82
Глубина в упаковке, см
72
Высота в упаковке, см
12
Вес в упаковке, кг
18.5
Весь список
6 297-17%
7 557
В наличии: 3 шт.
Товар в наличии.
Доставим в кратчайшие сроки!
В кредит от 222 ₽/мес
Добавить в избранное
Добавить в сравнение
Стол производственный ПищТех СРОб-9/6ЭЦК в Москве , фото
Стол производственный ПищТех СРОб-9/6ЭЦК
Страна-производитель: Россия, Материал столешницы: нержавеющая сталь, Материал каркаса: оцинкованная сталь, Габариты: (Ш×Г×В): 90×60×93.5
Срок гарантии, мес
Страна-производитель
Россия
Производитель
Тип
Пристенный
Кол-во ящиков
Нет
Материал столешницы
нержавеющая сталь
Борт
Да
Полка
Решетчатая
Материал каркаса
оцинкованная сталь
Ширина, см
90
Глубина, см
60
Высота, см
93.5
Весь список
6 392-17%
7 671
В наличии: 3 шт.
Товар в наличии.
Доставим в кратчайшие сроки!
В кредит от 225 ₽/мес
Добавить в избранное
Добавить в сравнение
Стол производственный Техно-ТТ AppetiTT СПРО-906 Ц в Москве , фото
Стол производственный Техно-ТТ AppetiTT СПРО-906 Ц
Страна-производитель: Россия, Материал столешницы: нержавеющая сталь aisi 430, Материал каркаса: оцинкованная сталь, Габариты: (Ш×Г×В): 90×60×85
Срок гарантии, мес
12
Страна-производитель
Россия
Производитель
Тип
Центральный
Материал столешницы
нержавеющая сталь aisi 430
Толщина столешницы, мм
0.5
Материал подложки столешницы
ДСП
Толщина подложки столешницы, мм
16
Max нагрузка на столешницу, кг
100
Профиль ножек
Уголок
Толщина металла каркаса, мм
1.5
Борт
Нет
Полка
Решетчатая
Материал каркаса
оцинкованная сталь
Ширина, см
90
Глубина, см
60
Высота, см
85
Вес без упаковки, кг
15.75
Весь список
6 610-17%
7 931
В наличии: 1 шт.
Товар в наличии.
Доставим в кратчайшие сроки!
В кредит от 233 ₽/мес
Добавить в избранное
Добавить в сравнение
Стол производственный Kayman СП-255/0606 в Москве , фото
Стол производственный Kayman СП-255/0606
Страна-производитель: Россия, Материал столешницы: нержавеющая сталь, Материал каркаса: оцинкованная сталь, Габариты: (Ш×Г×В): 60×60×85
Срок гарантии, мес
Страна-производитель
Россия
Производитель
Тип
Пристенный
Кол-во ящиков
Нет
Материал столешницы
нержавеющая сталь
Борт
Да
Полка
Решетчатая
Материал каркаса
оцинкованная сталь
Ширина, см
60
Глубина, см
60
Высота, см
85
Весь список
6 612-17%
7 934
В наличии: 3 шт.
Товар в наличии.
Доставим в кратчайшие сроки!
В кредит от 233 ₽/мес
Добавить в избранное
Добавить в сравнение
Стол производственный Assum СП-С-7/7-П в Москве , фото
Стол производственный Assum СП-С-7/7-П
Страна-производитель: Россия, Материал столешницы: нержавеющая сталь aisi 430, Материал каркаса: оцинкованная сталь, Габариты: (Ш×Г×В): 70×70×85
Срок гарантии, мес
12
Страна-производитель
Россия
Производитель
Тип
Центральный
Материал столешницы
нержавеющая сталь aisi 430
Толщина столешницы, мм
0.7
Материал подложки столешницы
ДСП
Толщина подложки столешницы, мм
16
Max нагрузка на столешницу, кг
150
Профиль ножек
Уголок
Размер профиля ножек, мм
40х40
Толщина металла каркаса, мм
1.5
Борт
Нет
Полка
Сплошная
Материал каркаса
оцинкованная сталь
Ширина, см
70
Глубина, см
70
Высота, см
85
Вес без упаковки, кг
16
Ширина в упаковке, см
72
Глубина в упаковке, см
72
Высота в упаковке, см
12
Вес в упаковке, кг
18
Весь список
6 639-19%
8 150
В наличии: 11 шт.
Товар в наличии.
Доставим в кратчайшие сроки!
В кредит от 234 ₽/мес
Добавить в избранное
Добавить в сравнение
Стол производственный Assum СП-С-10/6 в Москве , фото
Стол производственный Assum СП-С-10/6
Страна-производитель: Россия, Материал столешницы: нержавеющая сталь aisi 430, Материал каркаса: оцинкованная сталь, Габариты: (Ш×Г×В): 100×60×85
Срок гарантии, мес
12
Страна-производитель
Россия
Производитель
Тип
Центральный
Материал столешницы
нержавеющая сталь aisi 430
Толщина столешницы, мм
0.7
Материал подложки столешницы
ДСП
Толщина подложки столешницы, мм
16
Max нагрузка на столешницу, кг
150
Профиль ножек
Уголок
Размер профиля ножек, мм
40х40
Толщина металла каркаса, мм
1.5
Борт
Нет
Полка
Решетчатая
Материал каркаса
оцинкованная сталь
Ширина, см
100
Глубина, см
60
Высота, см
85
Вес без упаковки, кг
21
Ширина в упаковке, см
63
Глубина в упаковке, см
103
Высота в упаковке, см
7
Вес в упаковке, кг
24
Весь список
6 648-19%
8 160
В наличии: 29 шт.
Товар в наличии.
Доставим в кратчайшие сроки!
В кредит от 234 ₽/мес
Добавить в избранное
Добавить в сравнение
Стол производственный GPSteel СПО-600/600-с в Москве , фото 1
Стол производственный GPSteel СПО-600/600-с в Москве , фото 2
Стол производственный GPSteel СПО-600/600-с
Страна-производитель: Россия, Материал столешницы: нержавеющая сталь aisi 430, Материал каркаса: оцинкованная сталь, Габариты: (Ш×Г×В): 60×60×85
Срок гарантии, мес
Страна-производитель
Россия
Производитель
Тип
Центральный
Кол-во ящиков
Нет
Материал столешницы
нержавеющая сталь aisi 430
Борт
Нет
Полка
Обвязка
Материал каркаса
оцинкованная сталь
Ширина, см
60
Глубина, см
60
Высота, см
85
Вес без упаковки, кг
19.2
Весь список
6 655-17%
7 986
В наличии: 1 шт.
Товар в наличии.
Доставим в кратчайшие сроки!
В кредит от 234 ₽/мес
Добавить в избранное
Добавить в сравнение
Стол разделочный Hessen СПО 6*6 (оц) в Москве , фото
Стол разделочный Hessen СПО 6*6 (оц)
Страна-производитель: Россия, Материал столешницы: нержавеющая сталь, Материал каркаса: оцинкованная сталь, Габариты: (Ш×Г×В): 60×60×87
Срок гарантии, мес
Страна-производитель
Россия
Производитель
Тип
Центральный
Кол-во ящиков
Нет
Материал столешницы
нержавеющая сталь
Борт
Нет
Полка
Решетчатая
Материал каркаса
оцинкованная сталь
Ширина, см
60
Глубина, см
60
Высота, см
87
Весь список
6 680-17%
8 015
В наличии: 10 шт.
Товар в наличии.
Доставим в кратчайшие сроки!
В кредит от 235 ₽/мес
Добавить в избранное
Добавить в сравнение
Стол производственный ПищТех СРО-10/6ЭЦК в Москве , фото
Стол производственный ПищТех СРО-10/6ЭЦК
Страна-производитель: Россия, Материал столешницы: нержавеющая сталь, Материал каркаса: оцинкованная сталь, Габариты: (Ш×Г×В): 100×60×89
Срок гарантии, мес
Страна-производитель
Россия
Производитель
Тип
Центральный
Кол-во ящиков
Нет
Материал столешницы
нержавеющая сталь
Борт
Нет
Полка
Решетчатая
Материал каркаса
оцинкованная сталь
Ширина, см
100
Глубина, см
60
Высота, см
89
Вес без упаковки, кг
18.5
Весь список
6 731-17%
8 078
В наличии: 10 шт.
Товар в наличии.
Доставим в кратчайшие сроки!
В кредит от 237 ₽/мес
Добавить в избранное
Добавить в сравнение
Стол разделочный Hessen СО 6*6 (оц) в Москве , фото
Стол разделочный Hessen СО 6*6 (оц)
Страна-производитель: Россия, Материал столешницы: нержавеющая сталь, Материал каркаса: оцинкованная сталь, Габариты: (Ш×Г×В): 60×60×87
Срок гарантии, мес
Страна-производитель
Россия
Производитель
Тип
Центральный
Кол-во ящиков
Нет
Материал столешницы
нержавеющая сталь
Борт
Нет
Полка
Сплошная
Материал каркаса
оцинкованная сталь
Ширина, см
60
Глубина, см
60
Высота, см
87
Весь список
6 852-17%
8 222
В наличии: 5 шт.
Товар в наличии.
Доставим в кратчайшие сроки!
В кредит от 241 ₽/мес
Добавить в избранное
Добавить в сравнение
Стол разделочный Hessen СПП 6*6 (оц) в Москве , фото
Стол разделочный Hessen СПП 6*6 (оц)
Страна-производитель: Россия, Материал столешницы: нержавеющая сталь, Материал каркаса: оцинкованная сталь, Габариты: (Ш×Г×В): 60×60×87
Срок гарантии, мес
Страна-производитель
Россия
Производитель
Тип
Пристенный
Кол-во ящиков
Нет
Материал столешницы
нержавеющая сталь
Борт
Да
Полка
Решетчатая
Материал каркаса
оцинкованная сталь
Ширина, см
60
Глубина, см
60
Высота, см
87
Весь список
6 906-17%
8 286
В наличии: 10 шт.
Товар в наличии.
Доставим в кратчайшие сроки!
В кредит от 243 ₽/мес
Добавить в избранное
Добавить в сравнение
Стол разделочный Hessen СП 6*6 (оц) в Москве , фото
Стол разделочный Hessen СП 6*6 (оц)
Страна-производитель: Россия, Материал столешницы: нержавеющая сталь, Материал каркаса: оцинкованная сталь, Габариты: (Ш×Г×В): 60×60×87
Срок гарантии, мес
Страна-производитель
Россия
Производитель
Тип
Пристенный
Кол-во ящиков
Нет
Материал столешницы
нержавеющая сталь
Борт
Да
Полка
Сплошная
Материал каркаса
оцинкованная сталь
Ширина, см
60
Глубина, см
60
Высота, см
87
Весь список
7 007-17%
8 408
В наличии: 5 шт.
Товар в наличии.
Доставим в кратчайшие сроки!
В кредит от 247 ₽/мес
Добавить в избранное
Добавить в сравнение
Стол производственный Assum СПБ-С-10/6-П в Москве , фото
Стол производственный Assum СПБ-С-10/6-П
Страна-производитель: Россия, Материал столешницы: нержавеющая сталь aisi 430, Материал каркаса: оцинкованная сталь, Габариты: (Ш×Г×В): 100×60×85
Срок гарантии, мес
12
Страна-производитель
Россия
Производитель
Тип
Пристенный
Материал столешницы
нержавеющая сталь aisi 430
Толщина столешницы, мм
0.7
Материал подложки столешницы
ДСП
Толщина подложки столешницы, мм
16
Max нагрузка на столешницу, кг
150
Профиль ножек
Уголок
Размер профиля ножек, мм
40х40
Толщина металла каркаса, мм
1.5
Диапазон регулировки опорных ножек, мм
45
Борт
Да
Полка
Сплошная
Материал каркаса
оцинкованная сталь
Ширина, см
100
Глубина, см
60
Высота, см
85
Ширина в упаковке, см
63
Глубина в упаковке, см
106
Высота в упаковке, см
12
Вес в упаковке, кг
22
Весь список
7 022-19%
8 620
В наличии: 21 шт.
Товар в наличии.
Доставим в кратчайшие сроки!
В кредит от 247 ₽/мес
Добавить в избранное
Добавить в сравнение
Стол производственный Astropit АСРБ-06060-УОПО в Москве , фото
Стол производственный Astropit АСРБ-06060-УОПО
Страна-производитель: Россия, Материал столешницы: нержавеющая сталь aisi 430, Материал каркаса: оцинкованная сталь, Габариты: (Ш×Г×В): 60×60×87
Срок гарантии, мес
12
Страна-производитель
Россия
Производитель
Тип
Пристенный
Материал столешницы
нержавеющая сталь aisi 430
Толщина столешницы, мм
0.6
Материал подложки столешницы
ДСП
Толщина подложки столешницы, мм
16
Профиль ножек
Уголок
Толщина металла каркаса, мм
1.4
Борт
Да
Полка
Сплошная
Материал каркаса
оцинкованная сталь
Ширина, см
60
Глубина, см
60
Высота, см
87
Весь список
7 031-17%
8 436
В наличии: 10 шт.
Товар в наличии.
Доставим в кратчайшие сроки!
В кредит от 248 ₽/мес
Добавить в избранное
Добавить в сравнение
Стол производственный Техно-ТТ AppetiTT СПРП-906 Ц в Москве , фото
Стол производственный Техно-ТТ AppetiTT СПРП-906 Ц
Страна-производитель: Россия, Материал столешницы: нержавеющая сталь aisi 430, Материал каркаса: оцинкованная сталь, Габариты: (Ш×Г×В): 90×60×85
Срок гарантии, мес
12
Страна-производитель
Россия
Производитель
Тип
Пристенный
Материал столешницы
нержавеющая сталь aisi 430
Толщина столешницы, мм
0.5
Материал подложки столешницы
ДСП
Толщина подложки столешницы, мм
16
Профиль ножек
Уголок
Толщина металла каркаса, мм
1.5
Борт
Да
Полка
Решетчатая
Материал каркаса
оцинкованная сталь
Ширина, см
90
Глубина, см
60
Высота, см
85
Вес без упаковки, кг
16.9
Ширина в упаковке, см
90.5
Глубина в упаковке, см
63.5
Высота в упаковке, см
14.5
Вес в упаковке, кг
18
Весь список
7 104-17%
8 524
В наличии: 4 шт.
Товар в наличии.
Доставим в кратчайшие сроки!
В кредит от 250 ₽/мес
Добавить в избранное
Добавить в сравнение
Стол производственный ПищТех СРО-8/7СЦК-П в Москве , фото
Стол производственный ПищТех СРО-8/7СЦК-П
Страна-производитель: Россия, Материал столешницы: нержавеющая сталь aisi 430, Материал каркаса: оцинкованная сталь, Габариты: (Ш×Г×В): 80×70×87
Срок гарантии, мес
12
Страна-производитель
Россия
Производитель
Тип
Центральный
Материал столешницы
нержавеющая сталь aisi 430
Толщина столешницы, мм
0.8
Материал подложки столешницы
ЛДСП
Толщина подложки столешницы, мм
16
Профиль ножек
Уголок
Размер профиля ножек, мм
38х38
Толщина металла каркаса, мм
1.5
Диапазон регулировки опорных ножек, мм
20
Борт
Нет
Полка
Сплошная
Материал каркаса
оцинкованная сталь
Ширина, см
80
Глубина, см
70
Высота, см
87
Вес без упаковки, кг
16.5
Ширина в упаковке, см
82
Глубина в упаковке, см
72
Высота в упаковке, см
12
Вес в упаковке, кг
18.5
Весь список
7 221-17%
8 666
В наличии: 1 шт.
Товар в наличии.
Доставим в кратчайшие сроки!
В кредит от 254 ₽/мес
Добавить в избранное
Добавить в сравнение
Стол производственный ПищТех СРО-10/7ЭЦК в Москве , фото
Стол производственный ПищТех СРО-10/7ЭЦК
Страна-производитель: Россия, Материал столешницы: нержавеющая сталь, Материал каркаса: оцинкованная сталь, Габариты: (Ш×Г×В): 100×70×89
Срок гарантии, мес
Страна-производитель
Россия
Производитель
Тип
Центральный
Кол-во ящиков
Нет
Материал столешницы
нержавеющая сталь
Борт
Нет
Полка
Решетчатая
Материал каркаса
оцинкованная сталь
Ширина, см
100
Глубина, см
70
Высота, см
89
Весь список
7 300-17%
8 760
В наличии: 1 шт.
Товар в наличии.
Доставим в кратчайшие сроки!
В кредит от 257 ₽/мес
Добавить в избранное
Добавить в сравнение
Стол производственный ПищТех СРО-12/6ЭЦК в Москве , фото
Стол производственный ПищТех СРО-12/6ЭЦК
Страна-производитель: Россия, Материал столешницы: нержавеющая сталь, Материал каркаса: оцинкованная сталь, Габариты: (Ш×Г×В): 120×60×89
Срок гарантии, мес
Страна-производитель
Россия
Производитель
Тип
Центральный
Кол-во ящиков
Нет
Материал столешницы
нержавеющая сталь
Борт
Нет
Полка
Решетчатая
Материал каркаса
оцинкованная сталь
Ширина, см
120
Глубина, см
60
Высота, см
89
Вес без упаковки, кг
20.97
Весь список
7 302-17%
8 763
В наличии: 10 шт.
Товар в наличии.
Доставим в кратчайшие сроки!
В кредит от 257 ₽/мес
Добавить в избранное
Добавить в сравнение
Стол производственный Kayman СП-255/0806 в Москве , фото
Стол производственный Kayman СП-255/0806
Страна-производитель: Россия, Материал столешницы: нержавеющая сталь aisi 430, Материал каркаса: оцинкованная сталь, Габариты: (Ш×Г×В): 80×60×85
Срок гарантии, мес
Страна-производитель
Россия
Производитель
Тип
Пристенный
Кол-во ящиков
Нет
Материал столешницы
нержавеющая сталь aisi 430
Борт
Да
Полка
Решетчатая
Материал каркаса
оцинкованная сталь
Ширина, см
80
Глубина, см
60
Высота, см
85
Вес без упаковки, кг
21.3
Вес в упаковке, кг
21.9
Весь список
7 318-17%
8 781
В наличии: 3 шт.
Товар в наличии.
Доставим в кратчайшие сроки!
В кредит от 258 ₽/мес
Добавить в избранное
Добавить в сравнение
Стол разделочный Технологии юга СР-2/600/600-ЮТ в Москве , фото
Стол разделочный Технологии юга СР-2/600/600-ЮТ
Страна-производитель: Россия, Материал столешницы: нержавеющая сталь, Материал каркаса: оцинкованная сталь, Габариты: (Ш×Г×В): 60×60×85
Срок гарантии, мес
Страна-производитель
Россия
Производитель
Тип
Центральный
Кол-во ящиков
Нет
Материал столешницы
нержавеющая сталь
Борт
Нет
Полка
Решетчатая
Материал каркаса
оцинкованная сталь
Ширина, см
60
Глубина, см
60
Высота, см
85
Вес в упаковке, кг
15.3
Весь список
7 349-17%
8 818
В наличии: 1 шт.
Товар в наличии.
Доставим в кратчайшие сроки!
В кредит от 259 ₽/мес
Добавить в избранное
Добавить в сравнение
Стол производственный ПищТех СРО-9/6СЦК в Москве , фото
Стол производственный ПищТех СРО-9/6СЦК
Страна-производитель: Россия, Материал столешницы: нержавеющая сталь, Материал каркаса: оцинкованная сталь, Габариты: (Ш×Г×В): 90×60×89
Срок гарантии, мес
Страна-производитель
Россия
Производитель
Тип
Центральный
Кол-во ящиков
Нет
Материал столешницы
нержавеющая сталь
Борт
Нет
Полка
Решетчатая
Материал каркаса
оцинкованная сталь
Ширина, см
90
Глубина, см
60
Высота, см
89
Вес без упаковки, кг
18
Весь список
7 397-17%
8 877
В наличии: 1 шт.
Товар в наличии.
Доставим в кратчайшие сроки!
В кредит от 260 ₽/мес
Добавить в избранное
Добавить в сравнение
Стол производственный Astropit АСРБ-07060-УОПО в Москве , фото
Стол производственный Astropit АСРБ-07060-УОПО
Страна-производитель: Россия, Материал столешницы: нержавеющая сталь aisi 430, Материал каркаса: оцинкованная сталь, Габариты: (Ш×Г×В): 70×60×87
Срок гарантии, мес
12
Страна-производитель
Россия
Производитель
Тип
Пристенный
Материал столешницы
нержавеющая сталь aisi 430
Толщина столешницы, мм
0.6
Материал подложки столешницы
ДСП
Толщина подложки столешницы, мм
16
Профиль ножек
Уголок
Толщина металла каркаса, мм
1.4
Борт
Да
Полка
Сплошная
Материал каркаса
оцинкованная сталь
Ширина, см
70
Глубина, см
60
Высота, см
87
Весь список
7 494-17%
8 992
В наличии: 10 шт.
Товар в наличии.
Доставим в кратчайшие сроки!
В кредит от 264 ₽/мес
Добавить в избранное
Добавить в сравнение
Стол производственный Assum СПБ-С-10/7-П в Москве , фото
Стол производственный Assum СПБ-С-10/7-П
Страна-производитель: Россия, Материал столешницы: нержавеющая сталь aisi 430, Материал каркаса: оцинкованная сталь, Габариты: (Ш×Г×В): 100×70×85
Срок гарантии, мес
12
Страна-производитель
Россия
Производитель
Тип
Пристенный
Материал столешницы
нержавеющая сталь aisi 430
Толщина столешницы, мм
0.7
Материал подложки столешницы
ДСП
Толщина подложки столешницы, мм
16
Max нагрузка на столешницу, кг
150
Профиль ножек
Уголок
Размер профиля ножек, мм
40х40
Толщина металла каркаса, мм
1.5
Диапазон регулировки опорных ножек, мм
45
Борт
Да
Полка
Сплошная
Материал каркаса
оцинкованная сталь
Ширина, см
100
Глубина, см
70
Высота, см
85
Вес без упаковки, кг
21
Ширина в упаковке, см
70.5
Глубина в упаковке, см
102.5
Высота в упаковке, см
14
Вес в упаковке, кг
26
Весь список
7 520-19%
9 231
В наличии: 23 шт.
Товар в наличии.
Доставим в кратчайшие сроки!
В кредит от 265 ₽/мес
Добавить в избранное
Добавить в сравнение
Стол производственный ПищТех СРОб-10/6ЭЦК в Москве , фото
Стол производственный ПищТех СРОб-10/6ЭЦК
Страна-производитель: Россия, Материал столешницы: нержавеющая сталь, Материал каркаса: оцинкованная сталь, Габариты: (Ш×Г×В): 100×60×93.5
Срок гарантии, мес
Страна-производитель
Россия
Производитель
Тип
Пристенный
Кол-во ящиков
Нет
Материал столешницы
нержавеющая сталь
Борт
Да
Полка
Решетчатая
Материал каркаса
оцинкованная сталь
Ширина, см
100
Глубина, см
60
Высота, см
93.5
Вес без упаковки, кг
18.7
Весь список
7 545-17%
9 054
В наличии: 3 шт.
Товар в наличии.
Доставим в кратчайшие сроки!
В кредит от 266 ₽/мес
Добавить в избранное
Добавить в сравнение
Стол производственный Kayman СЦ-255/0906 в Москве , фото
Стол производственный Kayman СЦ-255/0906
Страна-производитель: Россия, Материал столешницы: нержавеющая сталь, Материал каркаса: оцинкованная сталь, Габариты: (Ш×Г×В): 90×60×85
Срок гарантии, мес
Страна-производитель
Россия
Производитель
Тип
Центральный
Кол-во ящиков
Нет
Материал столешницы
нержавеющая сталь
Борт
Нет
Полка
Решетчатая
Материал каркаса
оцинкованная сталь
Ширина, см
90
Глубина, см
60
Высота, см
85
Весь список
7 607-17%
9 128
В наличии: 1 шт.
Товар в наличии.
Доставим в кратчайшие сроки!
В кредит от 268 ₽/мес
Добавить в избранное
Добавить в сравнение
Стол производственный ПищТех СРОб-9/6СЦК в Москве , фото
Стол производственный ПищТех СРОб-9/6СЦК
Страна-производитель: Россия, Материал столешницы: нержавеющая сталь aisi 430, Материал каркаса: оцинкованная сталь, Габариты: (Ш×Г×В): 90×60×87
Срок гарантии, мес
Страна-производитель
Россия
Производитель
Тип
Пристенный
Кол-во ящиков
Нет
Материал столешницы
нержавеющая сталь aisi 430
Толщина столешницы, мм
0.8
Материал подложки столешницы
ЛДСП
Профиль ножек
Уголок
Диапазон регулировки опорных ножек, мм
20
Борт
Да
Полка
Решетчатая
Материал каркаса
оцинкованная сталь
Ширина, см
90
Глубина, см
60
Высота, см
87
Вес без упаковки, кг
17.3
Ширина в упаковке, см
92
Глубина в упаковке, см
61
Высота в упаковке, см
10
Вес в упаковке, кг
18.61
Весь список
7 607-17%
9 129
В наличии: 1 шт.
Товар в наличии.
Доставим в кратчайшие сроки!
В кредит от 268 ₽/мес
Добавить в избранное
Добавить в сравнение
Стол производственный ПищТех СРОб-10/7ЭЦК в Москве , фото
Стол производственный ПищТех СРОб-10/7ЭЦК
Страна-производитель: Россия, Материал столешницы: нержавеющая сталь, Материал каркаса: оцинкованная сталь, Габариты: (Ш×Г×В): 100×70×93.5
Срок гарантии, мес
Страна-производитель
Россия
Производитель
Тип
Пристенный
Кол-во ящиков
Нет
Материал столешницы
нержавеющая сталь
Борт
Да
Полка
Решетчатая
Материал каркаса
оцинкованная сталь
Ширина, см
100
Глубина, см
70
Высота, см
93.5
Весь список
7 610-17%
9 132
В наличии: 1 шт.
Товар в наличии.
Доставим в кратчайшие сроки!
В кредит от 268 ₽/мес
Показать еще 30 товаров

Хиты продаж

Добавить в сравнение
Добавить в избранное
СПО 12*6 (оц) фото
Страна-производитель: Россия, Материал столешницы: нержавеющая сталь, Материал каркаса: оцинкованная сталь
8 069-17%
9 683
В наличии: 10 шт.
Товар в наличии на складе.
Доставим в кратчайшие сроки!
В кредит от 284 ₽/мес
Добавить в сравнение
Добавить в избранное
СПО 15*6 (оц) фото
Страна-производитель: Россия, Материал столешницы: нержавеющая сталь, Материал каркаса: оцинкованная сталь
12 393-12%
14 005
В наличии: 4 шт.
Товар в наличии на складе.
Доставим в кратчайшие сроки!
В кредит от 436 ₽/мес
Добавить в сравнение
Добавить в избранное
СП-255/1206 фото
Страна-производитель: Россия, Материал столешницы: нержавеющая сталь, Материал каркаса: оцинкованная сталь
8 849-17%
10 618
В наличии: 13 шт.
Товар в наличии на складе.
Доставим в кратчайшие сроки!
В кредит от 311 ₽/мес
Добавить в сравнение
Добавить в избранное
СП-242/1006 фото
Страна-производитель: Россия, Материал столешницы: нержавеющая сталь, Материал каркаса: нержавеющая сталь
12 085-11%
13 535
В наличии: 10 шт.
Товар в наличии на складе.
Доставим в кратчайшие сроки!
В кредит от 425 ₽/мес
Добавить в сравнение
Добавить в избранное
СП-242/1206 фото
Страна-производитель: Россия, Материал столешницы: нержавеющая сталь, Материал каркаса: нержавеющая сталь
13 507-15%
15 803
В наличии: 3 шт.
Товар в наличии на складе.
Доставим в кратчайшие сроки!
В кредит от 475 ₽/мес
Добавить в сравнение
Добавить в избранное
СРОб-10/6ЭЦК фото
Страна-производитель: Россия, Материал столешницы: нержавеющая сталь, Материал каркаса: оцинкованная сталь
7 545-17%
9 054
В наличии: 3 шт.
Товар в наличии на складе.
Доставим в кратчайшие сроки!
В кредит от 266 ₽/мес
Добавить в сравнение
Добавить в избранное
СРО-10/6ЭЦК фото
Страна-производитель: Россия, Материал столешницы: нержавеющая сталь, Материал каркаса: оцинкованная сталь
6 731-17%
8 078
В наличии: 10 шт.
Товар в наличии на складе.
Доставим в кратчайшие сроки!
В кредит от 237 ₽/мес
Добавить в сравнение
Добавить в избранное
СРО-12/6ЭЦК фото
Страна-производитель: Россия, Материал столешницы: нержавеющая сталь, Материал каркаса: оцинкованная сталь
7 302-17%
8 763
В наличии: 10 шт.
Товар в наличии на складе.
Доставим в кратчайшие сроки!
В кредит от 257 ₽/мес
Добавить в сравнение
Добавить в избранное
СРОб-6/6ЭЦК фото
Страна-производитель: Россия, Материал столешницы: нержавеющая сталь, Материал каркаса: оцинкованная сталь
5 976
Под заказ
Товара нет в наличии на складе, но мы можем заказать его у производителя (требуется предоплата).
В кредит от 211 ₽/мес
Добавить в сравнение
Добавить в избранное
СРО-6/6ЭЦК фото
Страна-производитель: Россия, Материал столешницы: нержавеющая сталь, Материал каркаса: оцинкованная сталь
5 696
Под заказ
Товара нет в наличии на складе, но мы можем заказать его у производителя (требуется предоплата).
В кредит от 201 ₽/мес
Добавить в сравнение
Добавить в избранное
СРОб-8/6ЭЦК фото
Страна-производитель: Россия, Материал столешницы: нержавеющая сталь aisi 430, Материал каркаса: оцинкованная сталь
6 325
Под заказ
Товара нет в наличии на складе, но мы можем заказать его у производителя (требуется предоплата).
В кредит от 223 ₽/мес
Добавить в сравнение
Добавить в избранное
НСО-12/6БП фото
Страна-производитель: Россия, Материал столешницы: нержавеющая сталь, Материал каркаса: нержавеющая сталь aisi 430
19 718-12%
22 281
В наличии: 2 шт.
Товар в наличии на складе.
Доставим в кратчайшие сроки!
В кредит от 693 ₽/мес
Добавить в сравнение
Добавить в избранное
СП-10/6-БП-ЭК фото
Страна-производитель: Россия, Материал столешницы: нержавеющая сталь, Материал каркаса: оцинкованная сталь
8 892
В наличии: 8 шт.
Товар в наличии на складе.
Доставим в кратчайшие сроки!
В кредит от 313 ₽/мес
Добавить в сравнение
Добавить в избранное
AppetiTT СПСО-1207 Ц фото
Страна-производитель: Россия, Материал столешницы: нержавеющая сталь aisi 430, Материал каркаса: оцинкованная сталь
8 159-17%
9 790
В наличии: 2 шт.
Товар в наличии на складе.
Доставим в кратчайшие сроки!
В кредит от 287 ₽/мес
Добавить в сравнение
Добавить в избранное
AppetiTT СПСО-1506 Ц фото
Страна-производитель: Россия, Материал столешницы: нержавеющая сталь aisi 304, Материал каркаса: оцинкованная сталь
8 746-17%
10 494
В наличии: 8 шт.
Товар в наличии на складе.
Доставим в кратчайшие сроки!
В кредит от 308 ₽/мес

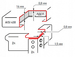
Виды и особенности разделочных столов для кухни

Столик — элемент основного оборудования в производстве общепита. Он должен быть прочным, легко очищаться, не впитывать жидкости и запахи. Наиболее хорошо этим  требованиям отвечает металл, который в большинстве случаев используется для изготовления всего производственного оборудования. Наш магазин реализует металлические столы отечественного и зарубежного производства, различающиеся по следующим основным характеристикам.

  • Форма исполнения — прямые, угловые пристенные, «островные», которые можно поставить в любом месте кухни.
  • Материал столешницы — нержавеющая сталь, в том числе марок AISI 304, AISI 430.
  • Каркас изготавливается из окрашенного металла, оцинкованной, нержавеющей стали.
  • Наличие вспомогательной полки из цельного металла, решетчатой, перфорированной.
  • Пристенный бортик — защищает стены от попадания брызг и остатков разделанных продуктов.
  • Выдвижные ящики — присутствуют в отдельных моделях, количество от 2-х до 6-и.
  • Размеры — ширина столов варьируется от 60 до 200 мм, глубина от 50 до 80 мм.

Цена производственного разделочного стола зависит от размера, качества металла, наличия ящиков и полок. Обращайтесь к менеджеру магазина, чтобы уточнить характеристики выбранной модели, срок поставки и другие особенности товара. Сотрудничаем с заказчиками из всех регионов, отправляем заказ транспортной компанией. В Москве доступна недорогая доставка нашим автотранспортом.

ВНИМАНИЕ!!! Информация о товарах, размещенная на сайте, НЕ ЯВЛЯЕТСЯ публичной офертой, определяемой положениями ч.2, ст. 437 Гражданского кодекса Российской Федерации. Производители ВПРАВЕ вносить изменения в технические характеристики, внешний вид и комплектацию товаров БЕЗ предварительного уведомления. Уточняйте характеристики у наших менеджеров перед оформлением заказа.
фон
Эксперты на связи
Время работы: пн-пт 9:00 до 19:00,
сб-вс с 10:00 до 18:00
Написать
телеграм телеграм 2
Telegram
телеграм телеграм 2
MAX